Takumi Matsuda, Meiji University, IEEE OES Japan Chapter, BEACON Associate Editor
- Introduction

I have been studying the navigation methods of the multiple autonomous underwater vehicles (AUVs) for ocean surveying such as seafloor mapping or environmental monitoring. It is essential for the AUVs to cooperate with each other to realize efficient surveying. In underwater environments, there are more restrictions than on land because sound waves, which have narrow bands, are used for positioning and communication among the AUVs instead of radio waves. To overcome this problem, I have studied cooperation algorithms among the AUVs. I recently studied a navigation method of multiple AUVs in which one AUV serves as a survey leader (parent AUV) and the other AUVs (child AUVs) build a wireless positioning and communication network centered on the parent AUV [1]. Since the parent AUV has high positioning performance and navigational capability, other child AUVs can achieve accurate surveying through the parent-centered network. Sea experiments were conducted with 3 AUVs last year. Figure 1 shows the deployment scene of 3 AUVs.
From this April, I moved to Meiji University from the University of Tokyo, and have been studying with Professor Yoji Kuroda while applying the idea of parent-child robots to land robots to develop security technology by robots for airports, stations and other environments.
- Research and Education Activities under the Coronavirus Pandemic

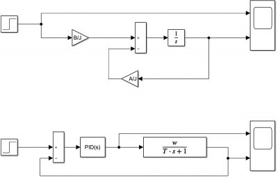
Regarding the lecture, I am in charge of the experimental lecture, which involves controlling a motor. It is difficult to conduct such an experiment online. Thus, a simulation model to control a motor was developed using MATLAB and Simulink, which are software products developed by MathWorks (Figure 3) [4]. The model can output the result of the motor rotation speed according to the time transition for each student (Figure 4). Since each student has different results, they can face the data with a fresh mind. The purpose of this experiment was to allow students to think freely based on the results even if online. As a result, various discussions were obtained from the students. In addition, by utilizing the simulation and taking the advantages of software, it was possible to perform the experiment under various conditions that are difficult to prepare with actual objects.
Students were surveyed about the experiment. Following are some answers from the students:
- It was able to analyze and discuss the data carefully, even in the online experiment.
- It was able to understand the relationship between the contents of the experiment and the products.
On the other hand, there were some answers that pointed out the improvements:
- I wanted to collaborate with other students to conduct the experiment.
- It was unfortunate that I could not experiment with the real machine.
From the answers, I believe that the purpose of the experiment, which is for students to analyze and discuss the data, has been achieved. However, I think that improvements are also necessary. Although it is difficult for all students to experiment with real machines online, I think it is necessary to make an experimental environment in which students can experience the movement of the machine through simulation. The experiment was conducted individually in this time, but I would like to consider an online experiment, which includes the perspective of group work.


- Conclusion
Due to the coronavirus pandemic, research and education activities in my university are conducted mainly online. Although it has become inconvenient in some aspects, the value of various existing tools is being re-evaluated and new tools are also being born. I think that this change in lifestyle will lead to the creation of new technology. Robots and virtual technology will also be becoming important. Thus, I believe that, in addition to unmanned automation technology by robots, fundamental technology that supports from development to practical use of robots online and virtually will generate new value in the future.

Figure 5 shows the author’s photo taken together with AUV Tri-TON.
For more details about the activity of Meiji University and Autonomous Mobile Systems Laboratory (Kuroda Laboratory), visit the links shown in the references [5] and [6].
References
- Matsuda, T. Maki, and T. Sakamaki, “Accurate and efficient seafloor observations with multiple autonomous underwater vehicles: theory and experiments in a hydrothermal vent field,” IEEE Robotics and Automation Letters, vol.4, no.3, pp.2333–2339, 2019.
- Gazebo, http://gazebosim.org/
- Fan, X. Cheng, J. Pan, P. Long, W. Liu, R. Yang, and D. Manocha, “Getting robots unfrozen and unlost in dense pedestrian crowds,” IEEE Robotics and Automation Letters, vol.4, no.2, pp.1178–1185, 2019.
- MathWorks, https://ch.mathworks.com/
- Meiji University, https://www.meiji.ac.jp/cip/english/
- Autonomous Mobile Systems Laboratory
Kuroda Laboratory, https://amslab.tech/


Dr. James V. Candy is the Chief Scientist for Engineering and former Director of the Center for Advanced Signal & Image Sciences at the University of California, Lawrence Livermore National Laboratory. Dr. Candy received a commission in the USAF in 1967 and was a Systems Engineer/Test Director from 1967 to 1971. He has been a Researcher at the Lawrence Livermore National Laboratory since 1976 holding various positions including that of Project Engineer for Signal Processing and Thrust Area Leader for Signal and Control Engineering. Educationally, he received his B.S.E.E. degree from the University of Cincinnati and his M.S.E. and Ph.D. degrees in Electrical Engineering from the University of Florida, Gainesville. He is a registered Control System Engineer in the state of California. He has been an Adjunct Professor at San Francisco State University, University of Santa Clara, and UC Berkeley, Extension teaching graduate courses in signal and image processing. He is an Adjunct Full-Professor at the University of California, Santa Barbara. Dr. Candy is a Fellow of the IEEE and a Fellow of the Acoustical Society of America (ASA) and elected as a Life Member (Fellow) at the University of Cambridge (Clare Hall College). He is a member of Eta Kappa Nu and Phi Kappa Phi honorary societies. He was elected as a Distinguished Alumnus by the University of Cincinnati. Dr. Candy received the IEEE Distinguished Technical Achievement Award for the “development of model-based signal processing in ocean acoustics.” Dr. Candy was selected as a IEEE Distinguished Lecturer for oceanic signal processing as well as presenting an IEEE tutorial on advanced signal processing available through their video website courses. He was nominated for the prestigious Edward Teller Fellowship at Lawrence Livermore National Laboratory. Dr. Candy was awarded the Interdisciplinary Helmholtz-Rayleigh Silver Medal in Signal Processing/Underwater Acoustics by the Acoustical Society of America for his technical contributions. He has published over 225 journal articles, book chapters, and technical reports as well as written three texts in signal processing, “Signal Processing: the Model-Based Approach,” (McGraw-Hill, 1986), “Signal Processing: the Modern Approach,” (McGraw-Hill, 1988), “Model-Based Signal Processing,” (Wiley/IEEE Press, 2006) and “Bayesian Signal Processing: Classical, Modern and Particle Filtering” (Wiley/IEEE Press, 2009). He was the General Chairman of the inaugural 2006 IEEE Nonlinear Statistical Signal Processing Workshop held at the Corpus Christi College, University of Cambridge. He has presented a variety of short courses and tutorials sponsored by the IEEE and ASA in Applied Signal Processing, Spectral Estimation, Advanced Digital Signal Processing, Applied Model-Based Signal Processing, Applied Acoustical Signal Processing, Model-Based Ocean Acoustic Signal Processing and Bayesian Signal Processing for IEEE Oceanic Engineering Society/ASA. He has also presented short courses in Applied Model-Based Signal Processing for the SPIE Optical Society. He is currently the IEEE Chair of the Technical Committee on “Sonar Signal and Image Processing” and was the Chair of the ASA Technical Committee on “Signal Processing in Acoustics” as well as being an Associate Editor for Signal Processing of ASA (on-line JASAXL). He was recently nominated for the Vice Presidency of the ASA and elected as a member of the Administrative Committee of IEEE OES. His research interests include Bayesian estimation, identification, spatial estimation, signal and image processing, array signal processing, nonlinear signal processing, tomography, sonar/radar processing and biomedical applications.
Kenneth Foote is a Senior Scientist at the Woods Hole Oceanographic Institution. He received a B.S. in Electrical Engineering from The George Washington University in 1968, and a Ph.D. in Physics from Brown University in 1973. He was an engineer at Raytheon Company, 1968-1974; postdoctoral scholar at Loughborough University of Technology, 1974-1975; research fellow and substitute lecturer at the University of Bergen, 1975-1981. He began working at the Institute of Marine Research, Bergen, in 1979; joined the Woods Hole Oceanographic Institution in 1999. His general area of expertise is in underwater sound scattering, with applications to the quantification of fish, other aquatic organisms, and physical scatterers in the water column and on the seafloor. In developing and transitioning acoustic methods and instruments to operations at sea, he has worked from 77°N to 55°S.
René Garello, professor at Télécom Bretagne, Fellow IEEE, co-leader of the TOMS (Traitements, Observations et Méthodes Statistiques) research team, in Pôle CID of the UMR CNRS 3192 Lab-STICC.
Professor Mal Heron is Adjunct Professor in the Marine Geophysical Laboratory at James Cook University in Townsville, Australia, and is CEO of Portmap Remote Ocean Sensing Pty Ltd. His PhD work in Auckland, New Zealand, was on radio-wave probing of the ionosphere, and that is reflected in his early ionospheric papers. He changed research fields to the scattering of HF radio waves from the ocean surface during the 1980s. Through the 1990s his research has broadened into oceanographic phenomena which can be studied by remote sensing, including HF radar and salinity mapping from airborne microwave radiometers . Throughout, there have been one-off papers where he has been involved in solving a problem in a cognate area like medical physics, and paleobiogeography. Occasionally, he has diverted into side-tracks like a burst of papers on the effect of bushfires on radio communications. His present project of the Australian Coastal Ocean Radar Network (ACORN) is about the development of new processing methods and applications of HF radar data to address oceanography problems. He is currently promoting the use of high resolution VHF ocean radars, based on the PortMap high resolution radar.
Hanu Singh graduated B.S. ECE and Computer Science (1989) from George Mason University and Ph.D. (1995) from MIT/Woods Hole.He led the development and commercialization of the Seabed AUV, nine of which are in operation at other universities and government laboratories around the world. He was technical lead for development and operations for Polar AUVs (Jaguar and Puma) and towed vehicles(Camper and Seasled), and the development and commercialization of the Jetyak ASVs, 18 of which are currently in use. He was involved in the development of UAS for polar and oceanographic applications, and high resolution multi-sensor acoustic and optical mapping with underwater vehicles on over 55 oceanographic cruises in support of physical oceanography, marine archaeology, biology, fisheries, coral reef studies, geology and geophysics and sea-ice studies. He is an accomplished Research Student advisor and has made strong collaborations across the US (including at MIT, SIO, Stanford, Columbia LDEO) and internationally including in the UK, Australia, Canada, Korea, Taiwan, China, Japan, India, Sweden and Norway. Hanu Singh is currently Chair of the IEEE Ocean Engineering Technology Committee on Autonomous Marine Systems with responsibilities that include organizing the biennial IEEE AUV Conference, 2008 onwards. Associate Editor, IEEE Journal of Oceanic Engineering, 2007-2011. Associate editor, Journal of Field Robotics 2012 onwards.
Milica Stojanovic graduated from the University of Belgrade, Serbia, in 1988, and received the M.S. and Ph.D. degrees in electrical engineering from Northeastern University in Boston, in 1991 and 1993. She was a Principal Scientist at the Massachusetts Institute of Technology, and in 2008 joined Northeastern University, where she is currently a Professor of electrical and computer engineering. She is also a Guest Investigator at the Woods Hole Oceanographic Institution. Milica’s research interests include digital communications theory, statistical signal processing and wireless networks, and their applications to underwater acoustic systems. She has made pioneering contributions to underwater acoustic communications, and her work has been widely cited. She is a Fellow of the IEEE, and serves as an Associate Editor for its Journal of Oceanic Engineering (and in the past for Transactions on Signal Processing and Transactions on Vehicular Technology). She also serves on the Advisory Board of the IEEE Communication Letters, and chairs the IEEE Ocean Engineering Society’s Technical Committee for Underwater Communication, Navigation and Positioning. Milica is the recipient of the 2015 IEEE/OES Distinguished Technical Achievement Award.
Dr. Paul C. Hines was born and raised in Glace Bay, Cape Breton. From 1977-1981 he attended Dalhousie University, Halifax, Nova Scotia, graduating with a B.Sc. (Hon) in Engineering-Physics.